Üdvözöljük a csatlakozásnál
Az új energiaipar rohamos fejlődésével összefüggésben az olyan forgatókönyvek, mint pl kereskedelmi és ipari energiatárolás , akkumulátorcsere állomások , és háztartási fotovoltaikus tárolórendszerek magasabb követelményeket támasztottak a pontosság, kompatibilitás és intelligencia a villamos energia mérés . Az Acrel Electric új, energiatámogató műszeres megoldások teljes skáláját fejlesztette ki. Ezeket a megoldásokat testreszabottan a különböző alkalmazási forgatókönyvek alapvető követelményeihez tervezték, és lefedik a mérési igényeket az alacsony fogyasztású háztartási alkalmazásoktól a nagyméretű ipari és kereskedelmi energiatároló rendszerekig. A megoldások megbízható támogatást nyújtanak az új energetikai rendszerek stabil működéséhez és pontos méréséhez.
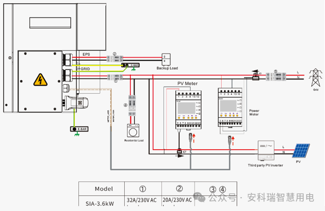
A lakossági fotovoltaikus és energiatárolás fontos alkalmazási forgatókönyvet jelent az új energia népszerűsítésére. Az Acrel rendkívül kompatibilis műszertermékeket fejlesztett ki, amelyek különböző alforgatókönyveket céloznak meg, többek között energiatároló inverter illesztés, hibrid inverter integráció, erkélyes fotovoltaikus tárolórendszerek és mikroenergia tárolási pont-pont transzparens átviteli rendszerek . Ezek a termékek egyensúlyban tartják az integrációt, a mérési sebességet és a kommunikációs rugalmasságot.
A fotovoltaikus és energiatároló rendszerek többmárkás kompatibilitásának piaci jellemzőire válaszul az RS485 CT konfigurációt alkalmazzák a professzionális ügynökök bizonytalan telepítési körülményeihez. A műszerek CE-MID, UL és RCM nemzetközi tanúsítvánnyal rendelkeznek. Az 50 ms-os nagysebességű adatfrissítési gyakorisággal az eszközök a fázissorrend beállítását is támogatják, így biztosítva a pontos mérést és az erős kompatibilitást.
Az all-in-one energiatároló inverterek magas integrációs követelményeinek és a kétcsatornás mérési követelményeknek az utólagos beszerelés esetén a műszerek feszültség és áram gyorscsatlakozókkal és RJ45 kommunikációs portokkal vannak felszerelve. Támogatják az 50 ms-os adatfrissítési gyakoriságot és a fázissorrend-beállítást, valamint egy átfogó tanúsítási rendszert, így alkalmasak mind utólagos, mind új telepítési forgatókönyvekre.
Kifejezetten alacsony fogyasztású elosztott, erkélyeken elhelyezett fotovoltaikus és energiatároló rendszerekhez készült megoldás, amely egyensúlyban tartja a magas szintű integrációt a kényelmes telepítéssel és üzembe helyezéssel. Amellett, hogy kétcsatornás mérő és gyorscsatlakozó terminálok , azt is támogatja WiFi, WiFi HaLow és Bluetooth hibakereső funkciók . A vezeték nélküli kialakítás jelentősen leegyszerűsíti a telepítést kis méretű forgatókönyvekben, és a termék CE-RED tanúsítvánnyal rendelkezik.
Megszólítani a gyenge penetráció és instabil hálózati teljesítmény a traditional WiFi in micro-energy storage scenarios, WiFi HaLow (1GHz alatti) kommunikációs technológiát alkalmaznak. A hagyományos WiFi-vel összehasonlítva erősebb behatolási képességet és hosszabb átviteli távolságot biztosít. A LoRa kommunikációhoz képest nagyobb átviteli sebességet és jobb stabilitást kínál. A műszer natívan támogatja ezt a technológiát, csak egy további AP szükséges az inverter oldalán a vezeték nélküli kommunikáció lehetővé tételéhez. Támogatja az egy az egyhez és egy a sokhoz gyors hálózati konfigurációt is, így alkalmas háztartási többinverteres és erkélyes mikrotárolórendszerekhez.
Az ipari és kereskedelmi energiatárolás, a nagyméretű energiatároló és az akkumulátorcsere állomások szigorú szabványokat követelnek meg a mérési pontosság, a frissítési sebesség, a telepítési rugalmasság és a szabályozási megfelelés tekintetében. Az Acrel beágyazott és DIN-sínre szerelt műszertermékeket biztosít olyan kulcsfontosságú követelmények alapján, mint pl többtarifás számlázás, keresletmérés, fordított áramáramlás elleni védelem és vezeték nélküli kommunikáció , amely támogatja mind az új telepítéseket, mind az utólagos felszereléseket.
Az APM521 tengerentúli CSA (UL) tanúsítvánnyal rendelkezik, és akár 0,2 másodperces (D osztály) osztályú aktív energia mérési pontosságot biztosít. SD kártya tárolóval van felszerelve a valós idejű elektromos paraméterek számára. A moduláris főegység-bővítő modul kialakítása támogatja a beágyazott és a DIN-sínre szerelést is, kielégítve az új projektek változatos telepítési követelményeit.
Ez egy 0,5S osztályú, külső CT-vel rendelkező mérő, amelyet széles körben használnak a nagy ügyfelek számára. Támogatja a másodlagos CT utólagos kábelezést, és közvetlenül rögzítheti a meglévő áramváltók szekunder oldali áramát, így kiválóan alkalmas mérőórák utólagos felszerelésére. A termék rendelkezik CPA-, CE- és UL-tanúsítvánnyal, és testreszabható egy nagy sebességű frissítési változatban is, hogy megfeleljen a nagy teljesítményű alkalmazási követelményeknek.
Emellett az ipari és kereskedelmi megoldások túlterhelés elleni védelmi funkciókat is integrálnak. A rendszer nagy- és kisfeszültségű oldali energiatárolási forgatókönyvekhez csatlakoztatható, és több tarifás árammérőkkel is működhet a pontos villamosenergia-mérés érdekében különböző tarifastruktúrák mellett, átfogó biztonsági és energiagazdálkodási támogatást nyújtva az ipari és kereskedelmi energiatároló rendszerek és akkumulátorcsere állomások számára.
Az új energiaipar folyamatos fejlesztéseinek összefüggésében az Acrel továbbra is az innovációra összpontosít, és tovább fejleszti új, energiatámogató műszertechnológiáját és termékrendszerét. A vállalat célja, hogy hatékonyabb, intelligensebb és megbízhatóbb szolgáltatást nyújtson villamos energia mérés solutions kereskedelmi és ipari energiatároláshoz, akkumulátorcsere állomásokhoz és háztartási fotovoltaikus tárolóalkalmazásokhoz, elősegítve az új energiaipar magas színvonalú fejlődését.
