Névleges áram 80A közvetlenül
MID tanúsítvánnyal rendelkezik
Nagy pontosságú C osztály
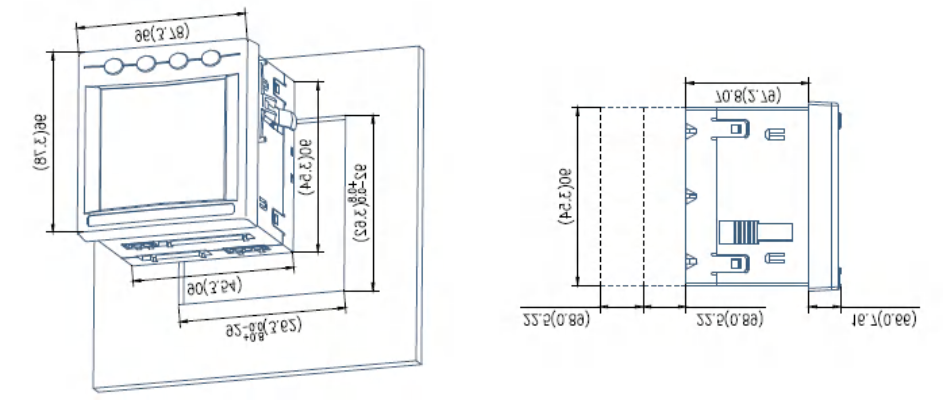
35 mm-es DIN sínre szerelhető
Impulzus kimenet
4 modul 72mm szélesség
IoT energiagazdálkodáshoz, gyári, iskolai
Valódi RMS mérések
THD 63. felharmonikusokkal
K-Factor és Crest Factor
Kiegyensúlyozatlanság és fázisszögek
Igények és több tarifás energia
Max/Min napló időbélyeggel
+86-18702106858 / +86-21-69156352
Az APM810 egy 0,2S osztályú háromfázisú váltakozó áramú, többfunkciós panelmérő, amelyet precíz energiafelügyeletre, energiaminőség-diagnosztikára és bérlői alszámlázásra terveztek ipari, kereskedelmi és adatközponti kapcsolótáblákban. A kompakt, 96 × 96 mm-es DIN burkolat színes TFT érintőképernyővel rendelkezik, amely a valódi RMS feszültséget 690 V-ig, az áramot, a frekvenciát, az aktív/meddő/látszólagos teljesítményt, a PF-et, a keresletet, a harmonikusokat 63-ig, a THD-t és a négykvadráns kWh/kvarh-t mutatja. A kettős RS485 Modbus-RTU, az Ethernet TCP/IP, a BACnet/IP, az SNMP és az opcionális Wi-Fi/LoRa zökkenőmentes BMS/EMS integrációt biztosít, míg a 4 MB beépített memória 12 hónapos terhelési profilokat naplóz az energiaauditok számára. Konfigurálható túl/alacsony feszültség, áram, PF és harmonikus riasztások meghajtó relé kimenetei vagy digitális bemenetei az intelligens megszakító vezérléshez; Az impulzus-, SOE- és tarifális TOU-regiszterek támogatják a közüzemi AMI-t, a szoláris netmérőt és az elektromos járművek töltési alkalmazását. Széles 3 × 57,7–690 V, 0,001–10 Közvetlen vagy CT/VT csatlakozás, valamint hamisításbiztos tömítés, minden intelligens hálózathoz vagy mikrorácshoz illeszkedik.
| Műszaki paraméterek | Érték | |||
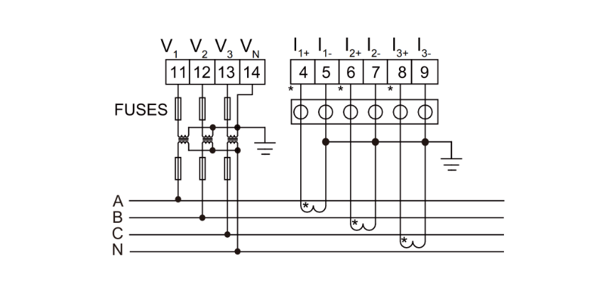
| Bemenet | Csatlakozás | Egyfázisú-2-vezetékes, 3-fázisú-3-vezetékes, 3-fázisú-4-vezetékes | ||
| Frekvencia | 45-65 Hz | |||
| Feszültség | Értékelés: | |||
| egyfázisú: AC 100V、400V | ||||
| Háromfázisú: AC 3 × 57,7 V / 100 V (100 V), 3 × 220 V / 380 V (400 V), 3 × 380 V / 660 V (660 V) (csak 96-os méretben) | ||||
| Túlterhelés: 1,2-szeres értékelés {folyamatos): 2-szeres értékelés 1 másodpercre | ||||
| Áramfelvétel:<0,5VA | ||||
| Aktuális | Értékelés: AC IA、5A | |||
| Túlterhelés: 1,2-szeres értékelés (folyamatos); 10-szeres értékelés 1 másodpercre | ||||
| Áramfelvétel:<0,5VA | ||||
| Kimenet | Elektromos energia | Kimenet mode:open-collector photo-coupler pulse | ||
| Impulzusállandó: 10000 imp/kWh (beállítható) ,lásd a kapcsolási rajzot a részletekért; | ||||
| Kommunikáció | RS485 port, Modbus -RTU protokoll, DLT645 protokoll (07-es és 97-es verzió) | |||
| átviteli sebesség 1200 ~ 38400 | ||||
| Funkció | Bemenet váltása | Száraz érintkezős bemenet, beépített tápegység; ha a modell KA, akkor AC 220V aktív. | ||
| Kapcsoló kimenet | Kimenet mode: Relay normally open contact output | |||
| Érintkezési kapacitás: AC 250V/3A, DC 30V/3A | ||||
| Analóg kimenet | 4-20mA | |||
| Pontossági osztály | Frekvencia:0.05Hz,Current、Voltage:0.2 class,Reactive power:l .0class,Reactive Electric energy:l .0class, active power:0.5class,active electric energy: 0.5class,2-31th harmonic measurement:±1% | |||
| Tápellátás | AC/DC 85-265V vagy DC24V(±20%)vagy DC48V(±20%)) | |||
| teljesítményfelvétel ≤10VA | ||||
| Biztonság | Teljesítmény-frekvencia-ellenállási feszültség | Tápellátás//Kapcsoló kimenet// Árambemenet//feszültség bemenet és átvitel// Kommunikáció //Impulzus kimenet//kapcsoló bemenet AC 2 kV 1min; | ||
| Tápellátás, kapcsolókimenet, árambemenet, feszültség bemenet AC 2 kV 1 perc; | ||||
| Között: Adás, Kommunikáció, Impulzus Kimenet, Kapcsoló bemenet AC 1kV 1 perc; | ||||
| Szigetelési ellenállás | Bemenet、Output end to machine enclosure >100MΩ | |||
| Környezet | Hőmérséklet | munkavégzés: -25°C ~ 65°C tárolás: -40°C ~ 80°C | ||
| Páratartalom | ≤93%RH Nem kondenzál | |||
| Magasság | ≤2500 millió dollár | |||
Teljesítményfigyelő megoldás
A 2003-ban alapított Acrel Co., Ltd.【Részvénykód: 300286.SZ】 egy csúcstechnológiás vállalat, amely energiagazdálkodási megoldásokra és elektromos biztonságra specializálódott. A sanghaji székhelyű Acrel innovatív és fenntartható megoldásokat kínál a mikrohálózatok energiahatékonysága és elektromos biztonsága érdekében. Több mint 600 szabadalommal és szoftverjoggal rendelkező Acrel több mint 28 000 rendszermegoldást telepített világszerte, átfogó „felhőalapú” energiainternet architektúrát alkotva.
Acrel Co., Ltd. van Kínai nagykereskedelem AC háromfázisú programozható panelre szerelt energiamérő Gyártók és AC háromfázisú programozható panelre szerelt energiamérő Gyár. Az Acrel integrált termékökoszisztémája a felhőplatform-szoftverektől a végfelhasználói komponensekig terjed, olyan ágazatokat lefedve, mint az energiaipar, a megújuló energia, az adatközpontok, az intelligens épületek, a közlekedés és az intelligens városok. Ezek a megoldások lehetővé teszik az intelligens, valós idejű energiagazdálkodást, növelve az energiabiztonságot és csökkentve az üzemeltetési költségeket. Kínálatunk... AC háromfázisú programozható panelre szerelt energiamérő eladó.
vállalat gyártóüzeme, a Jiangsu Acrel Electric Manufacturing Co., Ltd. szigorú minőségi előírásoknak és környezetvédelmi irányelveknek felel meg, fejlett tesztközpontokkal és az ólommentes gyártási folyamatok iránti elkötelezettséggel rendelkezik. Az Acrel több mint 500 mérnökből álló csapata élvonalbeli energiahatékonysági rendszereket és intelligens energiamegoldásokat szállít.
Erős hazai jelenléttel az Acrel aktívan terjeszkedik nemzetközi szinten, amit egy globális értékesítési és műszaki csapatokból álló hálózat, valamint egy olyan e-kereskedelmi platform támogat, amely zökkenőmentes szolgáltatási élményt biztosít világszerte. Az Acrel büszke arra, hogy segít a vállalkozásoknak a hatékonyság javításában, a fogyasztás csökkentésében és a fenntarthatósági célok elérésében.
Együtt egy okosabb, zöldebb jövőt építünk.
Engedélyezett szabadalmak
0+Kiszolgált ügyfelek száma
0+Összes alkalmazott
0+Gyártási bázis
0m²Üdvözöljük a csatlakozásnál Az új energiaipar rohamos fejlődésével összefüggésben az olyan forgatókönyvek, mint pl kereskedelmi és ipari energiatárolás , akkumulátorcsere állomások , és háztartási fotovoltaikus tárolórendszerek magasabb követelményeket támasztottak a ...
BővebbenIparági háttér és alkalmazás jelentősége A gyűjtősínek az elektromos elosztórendszerek gerincét képezik a kapcsolóberendezésektől, az ipari hajtásoktól, a megújuló energia inverterektől, az akkumulátoros energiatároló rendszerektől (BESS) és az elektromos járművek teljesítményelektronikájától ...
BővebbenIparági háttér és alkalmazás jelentősége Az elektromos járművek (EV) gyors elterjedése új infrastrukturális követelményeket támaszt a többbérlős lakókörnyezetekben, például lakóparkokban, vegyes használatú épületekben és többcsaládos házakban. A családi házakkal ellentétben a lakások általában...
Bővebben