Az Acrel Medical IT rendszer alkalmazása a malajziai kórházakban
Otthon / Projektek / Kórház / Az Acrel Medical IT rendszer alkalmazása a malajziai kórházakban

Az Acrel Medical IT rendszer alkalmazása a malajziai kórházakban

Az elektronikus orvosi berendezések kórházi használatának növekedésével az áramszivárgás veszélye jelentős veszélyt jelent a betegek biztonságára nézve, különösen a kritikus ellátási környezetekben. Sebészeti beavatkozások vagy érzéstelenítés során a betegeket közvetlenül csatlakoztatják különféle elektródákhoz és érzékelőkhöz. Még a minimális szivárgóáram is áramütést okozhat, ha az orvosi eszközök közvetlenül érintkeznek az emberi testtel.

Ezenkívül a kritikus állapotú betegek életfenntartó berendezéseinek fenn kell tartaniuk a zavartalan működést. Bármilyen áramkimaradás azonnal veszélyeztetheti a betegek életét. Ezért a kórházi elektromos rendszereknek szigorúan meg kell felelniük a nemzeti szabványoknak azáltal, hogy a kijelölt területeken IT tápellátási rendszereket hoznak létre.

Ez az esettanulmány bemutatja az Acrel izolált orvosi áramellátó rendszerének alkalmazását Malajziában, amely a következőket tartalmazza:

Orvosi informatikai áramelosztás

Szigetelésfigyelő eszközök

Hibakereső rendszerek

Lépjen kapcsolatba velünk
  • Projekt áttekintése
  • Projekt áttekintése
    A Malaysia I.E.D székhelye SELANGOR DARUL EHSAN, a projektet főként a malajziai szigeti kórházban használják, a termékeket 12 áramköri szigetelési hiba helyére használják 3 készlet kórházi izolált áramrendszerhez, a kapcsolódó termékek az AIM-M200 szigetelésfigyelő eszköz, ASG150 jelteszt-generátor, központi riasztásjelző AID150, szigetelési hiba AIL150, szigetelési hiba A4150 szivárgó áramváltó AKH-0.66P26.


    Orvosi informatikai rendszer bemutatása
    Az ACREL orvosi informatikai rendszer szigetelésfigyelő eszköze és hibahelyreállító rendszere alkalmas kórházi műtőbe, ICU (CCU) és más fontos helyekre, és biztonságos helyet nyújthat az ilyen folyamatos, megbízható energiaellátási megoldásoknak.


    Tápellátási megoldás orvosi helyszínekre
    ICU, CCU osztály elosztó megoldások (például GGF-I8G szigetelő elektromos szekrényrendszer diagram)


    I. lehetőség hibakeresési funkció nélkül


    II. opció hibakeresés funkcióval

    MEGJEGYZÉS: Az intenzív osztály áramelosztási megoldásaiban az AID sorozatú központi riasztó- és kijelzőkészüléket kell az ápolói állomásra telepíteni, az ápolói állomás kórházi személyzete figyeli az egyes leválasztott áramellátó rendszerek üzemállapotát.


    Műtői elosztási megoldások (például a GGF-O8G szigetelő elektromos szekrényrendszer diagramja)

    I. lehetőség szigetelési hibahely funkció nélkül


    II. opció szigetelési hibahelyreállító funkcióval

    1. A műtői áramelosztási megoldásoknál az AID sorozatú külső riasztó és kijelző eszközöket a műtőn belüli intelligencia panelre, vagy az intelligencia panel mellé kell telepíteni (falra szerelt telepítés). A műtét során az egészségügyi személyzet figyelemmel kíséri az elkülönített elektromos rendszer állapotát.

    2. A szigetelési hiba helymeghatározó funkcióval rendelkező sémában, ha a csatornák száma több mint nyolc, két AIL150 lokátorkészlet használható. A kombináció lehet AIL150-8 és AIL150-4 (legfeljebb 12 csatorna), vagy AIL150 -8 és AIL150-8 (legfeljebb 16 csatorna).

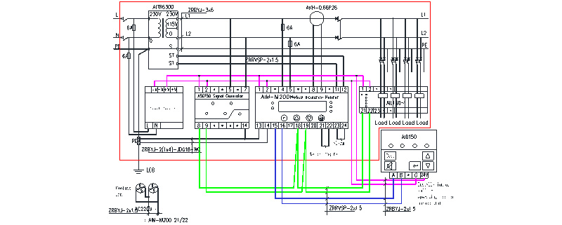
    3. Tipikus kapcsolási rajz






    4. A 7 darabos Medical IT bevezetése

    A termék neve és típusa Termék kép Leírás
    AITR sorozatú orvosi leválasztó transzformátor Az AITR sorozatú leválasztó transzformátort kifejezetten orvosi informatikai rendszerekben használják. A tekercsek kettős szigeteléssel vannak ellátva, és elektrosztatikus árnyékoló réteggel rendelkeznek, amely csökkenti a tekercsek közötti elektromágneses interferenciát. A PT100 hőmérséklet-érzékelő a huzaltasakba van beszerelve a transzformátor hőmérsékletének figyelésére. Az egész testet vákuum-inváziós festékkel kezelik, ami növeli a mechanikai szilárdságot és a korrózióállóságot. A termék jó hőmérséklet-növekedési teljesítménnyel és nagyon alacsony zajszinttel rendelkezik.
    AIM-M200 orvosi intelligens szigetelésfigyelő műszer Az AIM-M200 orvosi intelligens szigetelésfigyelő műszer fejlett mikrokontroller technológiát alkalmaz, amely magas integrációval, kompakt mérettel, kényelmes telepítéssel rendelkezik, és egyben integrálja az itelligenciát, a digitalizálást és a hálózatépítést. Ideális választás a 2. osztályú egészségügyi helyeken, például műtőben és intenzív osztályokon lévő elszigetelt áramellátó rendszerek szigetelésfigyelésére.
    AKH-0.66P26 áramváltó Az AKH-O 66P26 típusú áramváltó az AIM-M200 szigetelésfigyelőt támogató védőáramváltó, melyből a maximálisan mérhető áramerősség 60A, az átalakítási arány pedig 2000:1. Az áramváltó közvetlenül a szekrény belsejében van rögzítve csavarozással, a szekunder oldalt pedig a kényelmesen telepíthető és használható terminál vezeti ki.
    AIL150-4/AIL150-8 szigetelési hibakereső AIL150-4/AIL150-8 szigetelési hibakereső adopts high sensitivity transformer combined with a high precision signal detecting circuit, which detects the signal imported into the system from the ASG150 test signal generator and accurately locates the circuits which have insulation faults. AIL150-4 insulation fault locator can locate the insulation faults of 4 circuits, and the AIL150-8 insulation fault locator can locate the insulation faults of 8 circuits.
    ASG150 tesztjel generátor Az ASG150 tesztjelgenerátor 32 bites mikroprocesszoros chipet és nagy pontosságú jelgeneráló áramkört alkalmaz az adott tesztjel generálására. Ha a felügyelt informatikai rendszer szigetelési hibákkal rendelkezik, akkor időben be tud indulni és tesztjelet produkál, a szigetelési hiba helyével együttműködve felismeri a szigetelési hiba helyét.
    HDR-60-24 tápmodul A HDR-60-24 egyenáramú tápegység egyidejűleg 24 V DC tápellátást biztosít az AIM-M200 számára
    orvosi intelligens szigetelésfigyelő műszer, ASG150 tesztjel generátor, AIL150 sorozatú szigetelési hibakereső és AID150 központi riasztó és kijelző műszer A tápegység nagy kapacitású, stabil feszültségkimenettel és kényelmes telepítéssel rendelkezik, amely megfelel a fent említett mérőeszközök tápellátási követelményeinek, és az ajánlott tápegység termék.
    AID1 50 központi riasztó és kijelző műszer Az AID150 központosított riasztó- és kijelzőműszer az LCD folyadékkristályos kijelzőt alkalmazza, és adatcserét ér el az AIM-M200 orvosi intelligens szigetelésfigyelő műszerrel az RS485 kommunikációs interfészen keresztül, amely valós idejű monitorozhatja az AIM-M200 orvosi intelligens szigetelésfigyelő eszköz többcsatornás adatait.

    Helyszíni fotók



Acrel Co., Ltd.